When designing electronic circuits, there is often a need for a low-power voltage regulator or a reference voltage source. A number of fixed voltages are covered by unregulated integrated voltage regulators. The regulated ones are built on the LM317 chipbut it has certain inherent disadvantages and often excessive functionality. In many cases the problem will be solved by the TL431 chip, which allows you to get a low-power source of stable voltage, which can be adjusted from 2.5 to 36 V.

Contents
What is the TL431 chip
This microcircuit, developed in the seventies of the twentieth century, is often called the "regulated regulator", and in the schematic it is denoted as a regulator with two classic pins - anode and cathode. There is also a third lead, the purpose of which is discussed later. The microassembly looks like a Stabilitron It doesn't look like a microcoupler at all. It is produced as an ordinary microcircuit, in several housing variants. Initially versions were made only for the board with a true hole, with the development of SMD-technology TL431 began to "pack" in the packages for surface mounting, including popular SOT with a different number of pins. The minimum number of pins required for operation is 3. Some packages contain more pins. Surplus pins are either not connected anywhere or are duplicated.
TL431 Key Features
The main characteristics, knowledge of which is enough to perform 90+ percent of the tasks that arise in the design of electronic circuits:
- output voltage limits are 2.5...36V (this can be considered a minus, as modern regulators have a lower limit of 1.5V);
- the maximum current is 100 mA (it's small and comparable with an average power regulator, so it's not worth overloading the microcircuit because it has no protection);
- internal resistance (impedance of the equivalent bipolar) is about 0,22 Ohm;
- dynamic resistance - 0,2...0,5 Ohm;
- Uref=2.495 V, accuracy - depending on the series, from ±0.5% to ±2%;
- The operating temperature range for TL431C is 0...+70 °С, for TL431A - minus 40...+85 °С.
Other characteristics, including temperature graphs, can be found in the datasheet. However, in most cases you will not need them.
Pin assignment and operation
When analyzing the internal structure of the chip, it becomes clear that the comparison with a regulator is rather conventional.

The TL431 resembles a comparator most of all. The inverting output has a reference voltage Vref of 2.5V. This voltage is stabilized, so the output will also be stable. The non-inverting output is brought out. If the voltage applied to it does not exceed the reference voltage, the comparator output comparator output zero, the transistor is closed, no current flows. If the voltage at the direct input exceeds 2.5 V, then the output of the differential amplifier is positive, the transistor opens and current starts to flow through it. This current is limited by an external resistance. This behavior resembles the avalanche breakdown of a stabilizing diode when a reverse voltage is applied to it. The diode is designed to protect against reverse circuitry.
Important! The pin of the reference voltage should not be left unconnected anywhere, it requires a current of at least 4 µA.
In fact, this circuit is conditional as well - it is only suitable to explain the nature of work. In reality, everything is implemented according to other principles. For example, inside the circuit, you can't find a point with a 2.5V reference voltage.
Examples of connection diagrams
One of the options for the TL431 circuit is an ordinary comparator. You can build some threshold relays on it - for example, level relays, light relays, etc. Only its reference voltage source is built-in and can not be adjusted, so regulate the current and voltage drop through the sensor.
As soon as the sensor drops 2.5 V, the output transistor of the chip opens, current flows through the LED and it lights up. Instead of the LED you can use a low-power relay or a transistor switch to switch the load. With resistor R1 you can adjust the response level of the comparator. R2 serves as a ballast and limits the current through the LED.

But such an inclusion does not allow to use all possibilities of TL431 - the comparator can be built on any other chip that is more suitable for such relays. This same assembly is designed for other purposes.

The simplest circuit for turning on the TL431 in parallel stabilizer mode is a 2.5V reference voltage source. All you need for this is a ballast resistor, which will limit the current through the output transistor.
Important! In contrast to the classic circuit of the AVR, you should not install a capacitor in parallel to the output. This can lead to parasitic oscillations. In general it is not needed, because the developers have taken measures to reduce the noise at the output. But because of this the chip can not be used as a basis for a noise generator like a normal stabilitron.
The capabilities of the chip are more fully utilized in a feedback circuit formed by resistors R1 and R2.

When power is applied the output voltage rises and stabilizes for a few microseconds (slew rate is not regulated). Ustab is set by by the divider, it can be calculated by formula Ustab=2,495*(1+R2/R1). When calculating, it should be borne in mind that the internal resistance increases by (1+R2/R1) times with this connection.
It is possible to increase the load capacity of the regulator in the classic way, by including an additional bipolar transistor.
Important! The transistor must be included in the feedback loop circuit.
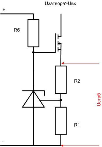
Such inclusion transforms the circuit into a parallel stabilizer, requiring the input voltage to exceed the output voltage. Its efficiency cannot exceed the Uin/Uin ratio. This degrades the parameters of the regulator, so it is better to use a field effect transistor, it has less voltage drop.

Here the efficiency is higher due to less required difference between input and output voltage, but you need an additional power supply for the transistor gate - its voltage must be higher than Uin/out.
You can build a current regulator with TL431.

The collector circuit current will be equal to Istab=Vref/R1.
If the same circuit is included as a bipolar, you get a current limiter.

The current will be limited at Io=Vref/R1+Ika. The rating of the ballast resistor must be chosen from the conditions Rb=Uinh(Io/hfe+Ika), where hfe is the transistor gain. It can be measured with a multimeter, which has such a function.
Radio amateurs use microcircuits also in non-standard inclusions. TL431 has a tendency to self-excitation, which is a disadvantage. But it makes it possible to use it as voltage controlled oscillators. For this purpose a capacitor is installed on the output.
What are the analogs
The microcircuit has a high popularity in the world of professionals and amateurs of electronics. Therefore, it is produced by many manufacturers. World-renowned firms Texas Instruments (as the developer), Motorola, Fairchild Semiconductor and others produce the chip under the original name. It is impossible not to mention the previously produced TL430 stabilizer, with Vref=2.75 V and one and a half times the maximum operating current. But this chip was less in demand, and it did not survive until the era of SMD-mounting.
Other manufacturers produce voltage regulators with other letter indices, but necessarily having the numbers 431 in their names (otherwise the consumer will simply not pay attention to an unknown chip). On the market there are:
- KA431AZ;
- KIA431;
- HA17431VP;
- IR9431N
and other chips that are similar in function. But the products of little-known and unknown manufacturers do not guarantee matching parameters.
There is a domestic analog - KR142EN19A, produced in the case of KT-26 (similar to a low-power transistor). It is completely analogous to the original chip, but some characteristics are slightly different. For example, internal resistance is normalized to <0.5 Ohm.
The SG6105 PWM controller is also noteworthy. It contains two internal stabilizers, absolutely identical to the TL431. They have separate pins and can be used as reference voltage sources.
How to check if the TL431 chip works
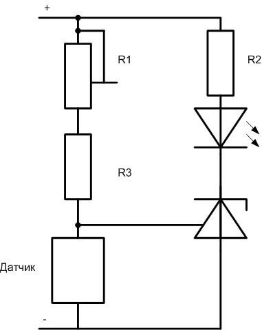
The microcircuit has a rather complicated internal structure, so it is not possible to test it with a single tester. In any case, you will have to assemble some kind of circuit. If there is an adjustable power supply, you will need three resistors and a LED.

The voltage of the power supply should be no more than 36V. R1 is chosen so that at maximum voltage the current through the LED does not exceed 10-15 mA. The ratio of R1 to R3 should be such that at the maximum source voltage, more than 2.5 V falls on R3, or better yet, more than 3. When the output voltage rises from 0V until the threshold is reached at R3 the LED will flash and it means that the chip is OK. You can not set the LED, but just measure the voltage at the cathode - it should change in a stepwise manner.
If there is no regulated source, but there is a power supply with constant voltage, you have to use a potentiometer instead of R3. When you rotate the slider in both directions, the LED should turn on and off.

The electronic components market offers a very wide range of integrated voltage regulators. But also the application area is very broad, so many types of ICs have their niche in the market. TL431 included.
Related articles:





