Three-phase meter Mercury 230 is a device of a new release. This device has telemetry outputs and a special interface designed for information exchange. The device is equipped with an electronic seal and can automatically diagnose various malfunctions. The manufacturer of electric meters is the company "NPK Inkotex".

Contents
Device description
Straight-line meter Mercury 230 is installed for electricity metering in three-wire and four-wire networks. The device can be connected either by direct or transformer method. If a transformer is connected to the device, then it is possible to meter electricity at high load sites.
The meter, which has three phases, has a liquid crystal display. This screen shows the data in kilowatt-hours. The display has 8 digits. The first 6 digits show whole kWh values, the last 2 are decimal places, hundredths of kWh. The error that is available in the readings of this device is 1.0. The instruments are installed indoors, where the air temperature can be -40...+55ºC.
If the device is connected through a transformer, it is possible to measure a current greater than that for which the device is designed. Meters are installed in the domestic and industrial sectors. Household appliances are installed in homes. Industrial meters are used in the industrial sector, in plants, factories and plants. Meters can be inductive and electronic. Electronic meters have a high quality certificate, they are more accurate, they do not have rotating parts and convert the signal that comes from the measuring elements.
Technical characteristics
Electronic counter Mercury 230 is characterized by increased accuracy and high reliability. The lowest operating time is 150 thousand hours. Service life of the device is 30 years. The verification period of electric meters (verification interval) is 10 years. Operation term under warranty is 3 years from the date of manufacture.
Technical specifications:
- Nominal amperage for transformer connection is 5 A.
- The base current rating for the direct connection of the unit is 5 A or 10 A.
- The highest amperage rating is 60 A.
- The phase voltage rating is 230 V.
- The frequency is 50 Hz.
- Two modes of pulse output: basic, verification.
- Limit of admissible error of the device refers to accuracy class 1.
- Dimensions, dimensions: 258х170х74 mm.
When there is no current in the series circuit, the test output of the device when measuring active and reactive energy does not create more than one pulse in 10 minutes. These devices are more robust and reliable. Previously they were installed in production plants. Nowadays, they are often used in the wiring of electricity in country houses. This is due to the presence of a large number of electrical appliances that require a high power grid.
Basic and additional functions
Now electric meters, in addition to their main function - electricity metering, have various additional features, with the help of which it is possible to control some of the characteristics of the power grid and the modes of the device itself. It is possible to take data from this device not only at the site of operation, but also remotely through some types of interface. Two-tariff meter Mercury is a device that has increased capabilities.
The standard connectivity of the Mercury 230 three-phase meter:
- Measurement of electricity data, their storage and visualization on the display for such a time interval: from the last reset, for 24 hours, for 30 days, for a year.
- The device can count currents according to two tariff plans for 16 time zones.
- The unit can be programmed with a new rate each month.
The device records the following characteristics:
- instantaneous power calculation;
- Determination of the potential difference;
- determination of the current on the phases;
- mains frequency reading;
- power in different phases and total.
The instrument has maximum protection. If the limit is exceeded, the instrument notes this and also indicates the exact time when the exceedance occurred. The digital output allows you to control the load.
The unit has an event log. It indicates such indicators:
- the time the unit was connected to the mains and disconnected from the mains;
- accounting of phases;
- correction of tariff schedule;
- record of meter tampering;
- exceeding the limit.
Let's consider additional features of the device. The meter has additional functions:
- Electricity metering in forward and reverse directions;
- transmission of electricity consumption data for each phase is possible;
- availability of power data archive at intervals from 1 to 45 minutes;
- Archive data storage period is 85 days;
- the highest indicator of morning and evening power;
- loss accounting;
- Registration of magnetic influence with registration of the data in a special log;
- power quality control.
Wiring diagram
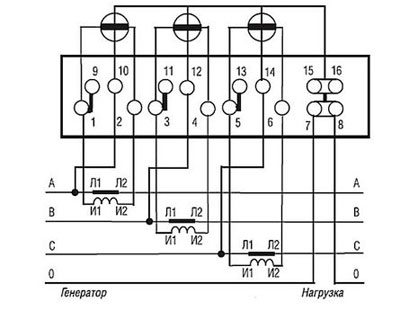
Let's consider how to connect the device. It is possible to connect the meter according to different schemes, in which current transformers will be used as a data source. Here is a wiring diagram of the meter Mercury 230. The most common is a ten-wire connection scheme of the device. Its advantage is considered the presence of power circuits and measuring devices. The disadvantage is considered a large number of wires.

The sequence of connection of the meter and transformer:
- terminal 1 - input A;
- terminal 2 - end input of measuring winding A;
- terminal 3 - output A;
- terminal 4 - input B;
- terminal 5 - measurement winding end B input;
- terminal 6 - output B;
- terminal 7 - input C;
- terminal 8 - winding termination input C;
- terminal 9 - output C;
- terminal 10 - zero phase input;
- terminal 11 - zero phase on the voltage side.
Terminals L1 and L2 are used for mounting the meter in the transformer circuit. It is possible to connect the meter using a half-light circuit. In this case the current transformers are connected in a star connection. Then the installation of the device is easier and less wires are needed. Accuracy and data quality are not affected.
The seven-wire method of CT connection is also used. Its disadvantage is the absence of galvanic isolation of the circuits. This scheme is considered dangerous to use and is now almost never used.
Connecting the electric meter Mercury 230 has much in common with the installation of a single-phase device. But there are also many differences when installing the installation. The wiring diagram is available on the meter body, on the back side of the cover.
When installing, observe the color sequence. Even numbers of wires correspond to the load, odd numbers to the input. Wiring diagrams for a three-phase multi-tariff meter are used.
When the meter is connected to three-phase consumers, the process is carried out through current transformers. This scheme makes it possible to reduce the cost of electricity and increase the reliability of its supply. Direct inclusion meters do not make more than 100A. This is due to the limitation of the size of the conductor. The higher the amperage, the larger the wire cross-section needed to pass it. Such limitations are eliminated by current transformers.
Consider the connection diagram of the meter through the test terminal box: the terminals in the block are designated by the letters A, B, C. To these terminals comes the wire, which is connected to the power buses 380 V, and then goes to the meter through jumpers.
If necessary, the jumpers are untwisted, shifted, and the circuit is broken. Thanks to this it is possible to remove the mains voltage and ensure the safe operation of the device connected to the test box. The IKK has a protective cover and device for the seal, a screw with a hole. Installation of the seal is carried out together with the installation of the meter.
Let's look at how to read the electricity meter. The device has a 6-digit dial. It is necessary to write out all the numbers up to a decimal point. To calculate the energy consumption for the month, you must subtract from the new readings those that were in the previous month.
Let's find out how to take readings from a multi-tariff meter (article number Mercury 230 ART-01). To do this, you need to record the following data: T1 - current consumption during the day, T2 - current consumption at night. Before recording the data, make sure that the device is in the standby mode.
There must be a line next to the mark A. If it is not there, you should press the right button. Then press the Enter button. The display will show the current consumption during the day T1. Press Enter a second time and write down the value of T2 (at night).
Modifications
There are such modifications of Mercury meters:
- Single-tariff three-phase, multi-tariff and multi-functional: Mercury 230 ART, Mercury 231 AT.
- Three-phase active and reactive electrical energy single-tariff, item: Mercury 230 AR.
- Three-phase single-tariff active energy: Mercury 230 AM, Mercury 231 AM.
- Single phase active energy single-tariff and multi-tariff: Mercury 200, Mercury 202, Mercury 201.
Sicon controller is installed in Mercury meters with active and reactive energy with internal tarifiers, the devices can be bidirectional or unidirectional.






