A sensor in the general sense is a device that converts one physical quantity into another suitable for processing, transmission or subsequent conversion. As a rule, the first is a physical quantity that cannot be directly measured (temperature, speed, displacement, etc.), and the second is an electrical or optical signal. Sensors, the basic element of which is a coil, occupy their own niche in the field of measuring instruments.
Contents
How inductive sensors are designed and how they work
Inductive sensors are active sensors by their operating principle, i.e. they require an external oscillator. It supplies the inductor coil with a signal of a predetermined frequency and amplitude.

The current flowing through the coils creates a magnetic field. If a conductive object enters the magnetic field, the coil parameters change. All that remains is to detect this change.
Simple non-contact sensors react to the appearance of metal objects in the near zone of the coil. This changes the impedance of the coil, this change must be converted into an electrical signal, amplified and (or) fixed the passage of the threshold with the help of a comparison circuit.
Sensors of another type respond to changes in the longitudinal position of the object, which serves as the coil core. As the object's position changes, it slides in or out of the coil, thereby changing its inductance. This change can be converted into an electrical signal and measured. Another version of this sensor is when the object is pushed onto the coil from the outside. This causes a reduction of the inductance due to the screen effect.
Another variant of the inductive displacement sensor is the Linear Variable Differential Transformer (LVDT). It is a compound coil made in the following order:
- secondary winding 1;
- primary winding;
- secondary winding 2.
The signal from the generator is applied to the primary winding. The magnetic field generated by the middle coil induces an EMF in each of the secondary (transformer principle). The core, as it moves, changes the mutual coupling between the coils, changing the electromotive force in each of the windings. This change can be detected by a measuring circuit. Since the length of the core is less than the total length of the compound coil, the ratio of the EMF in the secondary windings can unambiguously determine the position of the object.
The same principle - changing the inductive coupling between the windings - is used to build a rotation sensor. It consists of two coaxial coils. The signal is applied to one of the windings, the EMF in the second winding depends on the mutual angle of rotation.
It is obvious from the principle of operation that inductive sensors, regardless of their design, are non-contact sensors. They operate at a distance and do not require direct contact with the object to be monitored.
Advantages and disadvantages of inductive sensors
The advantages of inductive sensors primarily include:
- reliability of design;
- The absence of contact connections;
- high output power, which reduces the influence of noise and simplifies the control circuit;
- high sensitivity;
- Possibility of operation from AC voltage sources of industrial frequency.
The main disadvantage of inductive sensors is their size, weight and complexity of manufacturing. For winding of coils with specified parameters special equipment is required. Another disadvantage is the need to accurately maintain the signal amplitude from the master oscillator. When it changes, the sensitivity range also changes. Since the sensors work only with alternating current, maintaining the amplitude becomes a definite technical problem. Directly (or through a step-down transformer) in a domestic or industrial network is not possible to connect the sensor - in it voltage fluctuations in amplitude or frequency can even in normal mode reach 10%, which makes the measurement accuracy unacceptable.
Also the measurement accuracy can be affected by:
- extraneous magnetic fields (shielding the sensor is not possible based on the principle of its operation);
- External EMF inductions in the supply and measurement cables;
- manufacturing errors;
- Inaccuracy of the sensor characteristic;
- Backlashes or deformations in the sensor's mounting location, which do not affect the general performance;
- accuracy dependence on temperature (winding wire parameters change, including its resistance).
The inability of inductance sensors to respond to the appearance of dielectric objects in their magnetic field can be classified as both an advantage and a disadvantage. On the one hand, this limits the scope of their application. On the other hand, it makes them insensitive to the presence of dirt, grease, sand, etc. on the monitored objects.
Knowledge of the disadvantages and possible limitations of inductive sensors allows the rational use of their advantages.
Fields of application for inductive sensors
Inductive proximity sensors are often used as limit switches. These devices have become common:
- in security systems, as sensors of unauthorized opening of windows and doors;
- in telemechanics systems, as sensors of end position of units and mechanisms;
- in everyday life in the schemes of indication of the closed position of doors, sashes;
- for counting objects (e.g. moving on a conveyor belt);
- for determining the rotation speed of gears (each tooth passing by the sensor generates a pulse);
- In other situations.

Angular position encoders can be used to determine angles of rotation of shafts, gears, and other rotating units, and also as absolute encoders. They can also be used in machine tools and robotics applications along with linear encoders. Wherever the position of machine components needs to be known precisely.
Practical implementation examples for inductive sensors
In practice, inductive sensor designs can be implemented in a variety of ways. The simplest design and incorporation is the two-wire single sensor, which monitors the presence of metal objects in its sensing area. Such devices are often made on the basis of a W-shaped core, but this is an unprincipled point. Such a design is easier to manufacture.

When you change the resistance of the coil, the current in the circuit and the voltage drop across the load change. These changes can be detected. The problem is that the load resistance becomes critical. If it is too large, the change in current when a metal object appears will be relatively small. This reduces the sensitivity and immunity of the system. If it is small, the current in the circuit will be high, and a more resilient sensor will be required.

Therefore, there are designs with the measurement circuitry built into the sensor housing. The generator generates pulses that feed the inductor coil. When a certain level is reached, a trigger is actuated, flipping from 0 to 1 or vice versa. The buffer amplifier amplifies the signal by power and/or voltage, illuminates (extinguishes) the LED and outputs a discrete signal to the external circuit.
The output signal can be generated:
- by means of an electromagnetic or solid state relay - zero or unit voltage level;
- "dry contact" electromagnetic relay;
- open collector transistor (n-p-n or p-n-p structure).
In this case, you will need three wires to connect the sensor:
- power;
- common wire (0 volt);
- signal wire.

Such sensors can also be powered by DC voltage. Their inductance pulses are generated by an internal oscillator.

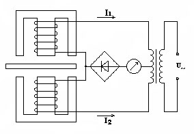
Differential sensors are used for position monitoring. If the object to be monitored is symmetrically with respect to both coils, the current through them is the same. If either coil is shifted towards the field, unbalance occurs, the total current ceases to be equal to zero, which can be detected by the indicator with an arrow in the middle of the scale. The indicator can be used to determine both the amount of displacement and its direction. Instead of an arrow device, it is possible to use a control circuit, which, when receiving information about position change, will give a signal, take measures to align the object, make adjustments to the technological process, etc.

Sensors made according to the principle of linear-regulated differential transformers are produced as complete designs, representing a framework with primary and secondary windings and a rod moving inside (it can be spring-loaded). There are wires for the generator signal and EMF extraction from the secondary windings. The object to be controlled can be mechanically connected to the stem. It can also be made of dielectric - only the position of the rod is important for the measurement.
Despite certain inherent disadvantages, the inductive sensor closes many areas related to the non-contact detection of objects in space. Despite the constant development of technology, this type of devices will not leave the market of measuring devices in the foreseeable future, because its action is based on the fundamental laws of physics.
Related articles:





