Due to its electrical or magnetic waves, the metal detector, or as it is also called metal detector, is able to distinguish and react to metal objects hidden in another environment. This device is an indispensable assistant for the inspection service, ecologists, construction workers, for "gold miners" and many other specialties. The average price of the metal detector in the Russian Federation varies from 15-60 thousand rubles. This article is designed for those who do not want to overpay, want to understand the device and make a metal detector with your own hands.
Contents
Metal detector, its design and principle of operation

The principle of operation of the metal detector is complicated only in words. Its essence is the formation of magnetic fields with the help of electric voltage, when these same waves meet on their way metal objects, the device emits a signal, notifying about the finding. For beginners who have not yet encountered such "inventions" it seems quite difficult, but if you carefully follow the instructions, in fact it will be much easier. And a little understanding, it will be easy to create a device for finding old coins at a depth of 30 cm underground.
Coil
In order to create a magnetic field, it's necessary for the current to pass through the coil (a bundle, a winding) of copper wire with nylon insulation. It is wound on a plastic coil several times. Then wrapped with polyester, strong packing tape. This is to prevent the wire from unraveling back. If the inside of the bobbin (special spool) to put pure iron, the magnetic field is greatly amplified, this method is usually used for security metal detectors.

Electronic circuitry
The operation of the system depends entirely on the electronic circuit, it is the brain of the device. The remaining piece of copper wire is soldered to the circuit board, the other output of the board is connected with electrical wires to the sensors: LEDs, vibrators, speakers. If magnetic waves collide with metal, the electrical signal will come from the coil to the indicators through the board. This is probably the most difficult part of creating a device with your own hands. Then the device is calibrated, tuned, and placed in a plastic protective case.
Basic parameters
According to their properties, metal detectors are divided into the main 3 groups: deep, underwater, ground. By the name, it is immediately clear what their features are. Quite often they create hybrids, for example ground coils with waterproof casing. Naturally, these will cost an order of magnitude higher. To make a metal detector yourself, you need to clearly imagine for what purposes it will be used, based on this there are general parameters of the device:
- The depth of action under the ground, each device has its own "penetrating ability". Of course, this also depends on the density, type of soil, the presence of stones in it, but this is of secondary importance.
- Diameter of the search area, you must immediately determine for yourself what range will be optimal, and from this start, selecting or assembling the metal detector.
- The sensitivity of the metal detector. Here comes the question of what purpose the device will be used: for treasure hunters, the change will only interfere, but for the hunters of lost jewelry on the beach, it is important not to miss anything, even the smallest detail.
- Selectivity of metal. There are devices that respond only to certain precious alloys.
- Power and power saving, a standard feature of any wireless device.
- The very new models, have such a feature as "discriminant", which allows you to display the approximate depth, location, metal alloy on the scoreboard of the device.

Depth of detection
On average, the depth of the metal detector is from 1 to 100 centimeters. Different models, have different accuracy and depth of action. Basically, the visibility range depends on the size of the coil, the more it is, the deeper you can look. And the first mistake made by most beginners, not knowing what for, they choose a metal detector with the greatest depth. On average, ancient coins are buried at 30-35 centimeters, and lost precious jewelry is even closer to the surface. In addition, the greater the depth, the more errors and mistakes. You can dig 10 holes of depth of 1 meter, for the same time to find really something valuable almost on the surface, absolutely not bothering.
Frequency of operation
Like any device, the metal detector has an interrelation of its components. Using the device at full power, you increase the power consumption of the battery. If we consider the metal detector as a whole, we can conclude that all of its components dimensions and functionality depend on the frequency of the generator. This is perhaps the most important evaluation criterion by which they are classified:
- The first option is completely unamateurish - ultra-low frequency. Without some computer support, it will not be able to work. The coil must be followed by a special machine, which will not only process the signal to the operator, but also feed the charge, because of the considerable energy consumption. Its range is less than 100 Hz.
- The second option is also not a simple household device - low-frequency. The range varies from 100 Hz to 10 kHz. Also requires high power consumption, mainly designed to search for ferrous metals to a depth of 5 meters. Requires computer signal processing, but even with it, has a large error in the recognition of the alloy and its volume at great depths.
- Versatile, more complicated, compact - high-frequency metal detectors. With such a device can find metal 1.5 meters deep. Has average noise immunity, but good sensitivity, at shallow depth, it is possible to determine the alloy and the size of the metal, with fairly good accuracy. Has a range up to 30 kHz.
- Radiofrequency metal detectors, everyone has probably seen them, a standard device suitable for aspiring amateurs. Has an excellent discrimination to a depth of 0.5 meters. If the ground has no magnetic properties, such as sand, or there is no radio or TV station nearby, it is just a great all-purpose device.Its energy consumption compared to the representatives above is very small. And its full efficiency will also depend on its components, largely from the coil.
Assembly of the metal detector with your own hands
There are a lot of schemes, videos, forums and tips on assembling the metal detector on the Internet. And among the many reviews, there are many negative about the apparatus of its own production. Many people write that they didn't succeed, that it does not work and it is better to buy it than to spend a lot of time... The answer to such comments is very simple: if you set your mind to it and take the question seriously, then making your own thing is much better than the factory-made metal detectors. If you want to do something well, do it yourself.
Is it possible to make a metal detector with your own hands?
A person who at least at the school level knows and is interested in physics and electronics, such a task will not be very difficult. And it is only a matter of selecting high-quality materials. But even beginners should not give up, step by step, following the instructions, adding a little persistence, everything will certainly work out.
Making a printed circuit board by yourself
The hardest part of assembling the detector is making the printed circuit board. Since it is the brain of the entire design, and without it the device simply will not work. For starters we will use the simplest method, the Laser Blow Process.
- Initially we will need a scheme, of course there is a huge number of them on the Internet. But if a person has set a goal to make everything himself, a special program Sprint-Layout will help you develop it.
And so, having a finished schematic drawing of the board, we print it out with a laser printer, this is important, on photo paper. Many people recommend using lightweight paper so that the details can show up better. - Purchase a piece of textolite, it will not be difficult to find, and prepare it properly:
1) We cut with metal scissors (or a metal knife) from a piece of textolite blanks to the size we need and the parameters of the corresponding printout.
2) Then you need to clean the workpiece from the top layer, using emery cloth. The ideal result is an even, mirror-like shine.
3) Soak a piece of cloth in alcohol, acetone or other solvent and wipe thoroughly. This is necessary to degrease and clean our blank material. - After these procedures, we place the photo paper with the printed scheme on the textolite, and smooth it out with a hot iron so that the pattern can be translated. Then you should slowly immerse the workpiece in warm water, and very carefully and carefully, without smearing the pattern, remove the paper. But even if the outline is a little blurred, no problem, you can correct it with a needle.
- When the board dries a bit, the next stage, for which we need a solution of copper sulfate or bleach.
To prepare this solution you need to buy ferric chloride powder (FeCl3). It costs a pretty penny at the radio store. Dilute this powder with water, at a ratio of 1 to 3. The water should not be hot and the dish should not be made of metal.
Immerse our board in the solution for some time, depending on the thickness of the material and external conditions, there is no certain time. If you stir the solution periodically, the process will go faster and better. - Take out the board, rinse under running water, remove the toner with alcohol or any other solvent.
- Use the drill to make holes for the parts where they are needed according to the scheme.
You can read more about this method in our article: How to make an electronic circuit board at home.
Mounting the radio components on the board
At this stage you need to equip the board with all the necessary radio components. Do not be afraid of complicated names, unknown combinations of numbers and letters. All parts are signed. You just need to find the right ones, buy them, install them in their place.

Here is an example of a quite simple but effective in use circuit -PIRAT
Here we go:
- As a main chip you can take the inexpensive KR1006VI1, or its various foreign counterparts such as the NE555 which is used in the circuit above. To install the circuit on the board you need to solder a jumper between them.
- The next step is to install an amplifier, such as the K157UD2, which is also shown in the diagram above. By the way, by going through old Soviet devices you can find this and many other parts.
- Then we put in the two SMD components (they look like little bricks) and put in an MLT C2-23 resistor.
- After installing the resistor we have to stop the two transistors. A very important point for beginners: the structure of the first one must correspond to NPN and the other to PNP. Ideal for this device are BC 557 and BC 547, but since they are not so easy to find, you can use different foreign analogs. As for the field effect transistor, an IRF-740 or any other transistor with the same parameters is a good choice, in this case it does not matter.
- The last step will be the installation of capacitors. And a word of advice: it is better to choose the lowest TKE value, it improves thermoregulation considerably.
Making the coil
As written earlier, making a homemade coil, you need to wind approximately 25-30 turns of PEV wire, if its diameter is 0.5 millimeters. But it is better, testing the device in the case, to select and change the number of turns, to achieve the desired result.
Frame and additional elements
To recognize the finding of the device, you can use any speaker with an impedance of zero ohms. As a power supply you can use a battery or simple batteries with a total voltage greater than 13 volts. For greater stability and electrical balance of the circuit, a stabilizer is mounted on the output. For the pirate circuit, the ideal voltage type would be L7812.
After making sure that the metal detector works, we turn on the imagination and create a framework, which will be, first of all, convenient for the operator. There are some good tips on how to create the case:
- The board must be protected by placing it in a special box, fixing it firmly in place. The box itself is placed according to the convenience of the frame.
- When creating the case, it is necessary to take into account one point: the more metal objects will be present in the design, the less sensitive the device will be.
- To provide the device with all sorts of conveniences, such as an armrest, you can use a piece of sawed water pipe in half. Below attach a rubber handle. And at the very top of it, construct some kind of additional holder.
Diagrams of the most popular metal detectors
Scheme Butterfly

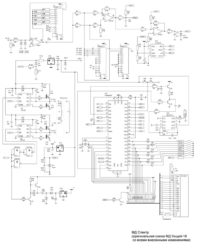
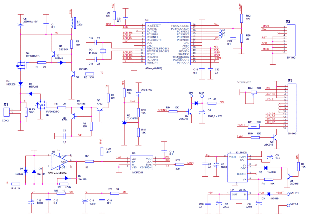
Scheme Koschey

Scheme Kvazar

Scheme Chance






