Permissible voltage deviation is one of the most important criteria in determining the quality of electricity and must not exceed ±10% of 230 V according to GOST 29322-2014. Voltage fluctuations have a negative effect on the operation of electrical devices and can lead to their failure. To avoid this use a variety of equipment, among which favorably with its characteristics of the device protecting against power surges UZM-51M, manufactured by the electrical company "Meandr".
Table of contents
Designation and application field

UZM-51M (multi-functional protective device) is used for protection of electrical equipment against power surges in single-phase power networks of any premises.
This device disconnects sources of consumption when the supply voltage increases or decreases, as well as extinguishes its pulsed high-voltage surges. The causes of these deviations may be different:
- Overloading of transformer substations;
- Switching of powerful asynchronous motors and welding machines;
- short circuit or breakage of neutral wire;
- Lightning strikes the power supply line.
UZM-51M is usually used in domestic power networks, installing after the electric meter and circuit breaker at the power supply input to the room. It can also be used in three-phase networks.
Important. For full comprehensive protection UZM-51M installed with other devices disconnect.
How it works

With the help of knobs mounted on the body of the device you can set the operational limit of the relay on the top voltage from 240 V to 290 V and on the bottom from 210 V to 100 V.
When connecting to the mains the indication on UZM-51M does not work during the first 5 seconds. Blinking of the green indicator indicates that the voltage is being tested. If it matches the preset parameters, the electromagnetic relay will turn on and this is indicated by an even yellow and green LED.
Reference. You can accelerate the start of the protective device by pressing the "Test" button.
In normal operation mode, the UZM-51M controller constantly monitors the voltage value, and the varistor dampens its pulses to an acceptable value.

The work of the light indication is different in different emergency modes.
Blinking red light warns that the voltage is significantly above the norm.
If the yellow LED is off and the red one is on continuously, it means that the voltage has exceeded the set value and the relay has disconnected the load.
The flashing green LED indicates that the restart countdown has started.
Green and amber LEDs light steadily, indicating that the voltage is fully normalized and the relay is energized.
Warning. The restart time can only be set for 10 seconds and for 6 minutes.
If the green LED on the panel blinks while the yellow LED stays on, it means that the incoming voltage has decreased significantly.

The lower LED blinking from green to red indicates that the solenoid relay trip time has started to count down.
The red LED flashes at two-second intervals and the yellow one extinguishes, indicating that the relay is off.
When the voltage is normalized, the alarm operates as in the first case.
Alternately flashing red and green light reminds you to start the device by pressing the test button again.
Appearance and design
UZM-51M, like other devices of modular design, is mounted on a standard DIN-rail. The housing of the relay is plastic, with two upper and two lower tunnel-type terminals.
There are two rotary knobs on the front of the panel that set the maximum and minimum voltage limits for the relay to operate, two transparent peepholes and between them a "Test" button.

The glow of the lower eye in red indicates the activation of the alarm mode. The green light indicates that everything is normal. If the upper eye glows yellow, it means that the electromagnetic relay contacts are closed.
The test button not only switches the device on and off, but also sets the re-start time.
The electromagnetic relay, the microcontroller and the varistor are located inside the case. The relay contacts break the phase wire and the neutral wire runs a bus directly through the enclosure.
Main technical characteristics and dimensions
- UZM-51M operates at nominal voltage of 220 V at a frequency of 50 Hz;
- maximum voltage - 440V with a frequency of 50 Hz;
- rated current - 63A;
- maximum current - 80A;
- rated load power - 15.7 kW;
- maximum power - 20 kW;
- maximum absorption energy - 200 Joules;
- when raising the voltage, the tripping threshold can be changed from 240V to 290V;
- under voltage can be changed from 100 V to 210 V;
- deviation of threshold values not more than 3 %;
- pulse protection triggers in time less than 25 ns;
- it is possible to switch the reclosing time from 10 s to 6 min;
- operating temperature -25 °С to +55 °С;
- overall dimensions - 83x35x67 mm;
- mass - 140 gr;
- service life not less than 10 years.
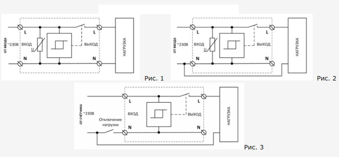
Wiring diagrams

Fig. 1 shows a typical connection diagram of UZM-51M.
Fig. 2 shows the diagram, allowing connection of neutral wire only from one side, which makes it possible to combine neutral outputs on one common terminal block.
Fig. 3 shows the circuit allowing to disconnect the load with an additional switch.
Pros and cons of the device
The positives include:
- A small price in relation to quality and service life;
- the ability to adjust the threshold voltage value independently;
- small dimensions (takes two modular spaces in the switchboard);
- small resistance;
- small weight;
- ease and reliability of connection.
There are practically no disadvantages. Availability of display is desirable.
Analogues of UZM-51M
Industry produces a large number of devices similar in purpose to UZM-51M. The most popular of them: PH-111; DigiTop; Zubr.



Comparative table
| Type of voltage relay | UZM-51M | PH-111 | DigiTop | Zubr |
|---|---|---|---|---|
| Rated current, А | 63 | 16 | 63 | 63 |
| Upper voltage limit, V | 290 | 280 | 270 | 280 |
| Lower voltage limit, V | 100 | 160 | 120 | 120 |
| Response time, s | 0,02 | 0,1 | 0,02 | 0,05 |
| Location in switchboard, number of modules | 2 | 2 | 3 | 3 |
| reclosing time, s | 10 or 360 | 5 to 900 | 5 to 900 | From 3 to 600 |
| Voltage level indication on the screen | no | no | yes | yes |
As you can see, multifunctional protection device UZM-51M is not inferior to other devices of this type, and according to user reviews, it has proven its reliability by testing time.
Related articles:





