Electric motors are simple and reliable machines, but also have some shortcomings that complicate their use. In particular, such devices have high values of current consumption at start-up and without special devices start with a jerk due to inconsistency of torque of the motor and load on its shaft. Additional devices, which ensure smooth operation of the engine during start-up and allow to reduce starting currents are called soft starters.

Contents
What is a soft starter
Soft starter (SOFT STARTER) - is electro technical device which is applied in operation of asynchronous motors and allows to supervise and control its start and parameters for safe work in an alternating current network. Such a device reduces the impact of a number of negative factors on the motor, including reducing the likelihood of increased motor heating, eliminating jerks, ensuring a smooth start-up and reaching the work load. Also, soft starters reduce the negative impact on the electrical network by reducing the starting currents of the electric motor.
Often, soft starters are called "soft starters" by electrical specialists and people associated with the operation of electric motors. This is due to the fact that in English (and most high-quality devices are imported) these devices are called "soft starter"which means "soft starter".
Smooth start of electric motors with the help of frequency converters and soft starters can solve a large number of tasks and control the operation of the electric motor within a wide range of its parameters. The SPP is particularly often used under heavy starting conditions (with high inertia or starting under load with quadruple starting currents, with motor acceleration of at least 30 seconds) and extremely heavy starting (at six or eight times the inrush currents and long motor acceleration times.).

Also SPM are used at reduced or limited capacity of electric network, when inrush currents can create a significant overload in the network, including the effect on the automatic protection equipment, which at high values of inrush current, even of short-term impact, disconnects power supply.
The sphere of application of soft starters is quite extensive: they are used in the operation of pumping units, in ventilation and compressor equipment, on electric motors of heavy industries and construction, in crushing equipment, on conveyors, escalators and other mechanisms and equipment.
Operating principle
The main disadvantage of asynchronous motors - is that the torque on the shaft is proportional to the square of the voltage applied to the motor. This creates a strong jerk when starting and when stopping, which also increases the induction current.
Soft starters can be mechanical, electrical, or a combination of both.
Mechanical soft starters work on the principle of counteracting a sharp increase in the speed of the electric motor by affecting its rotor mechanically with brake pads, various clutches, counterweights, magnetic blockers and other mechanisms. Such mechanisms are not often used lately, since there are more advanced electric control devices.

Electrical soft starters gradually increase the current or voltage from a reference level to the maximum, which allows a smooth increase in the speed of the electric motor and reduces loads and inrush currents. Most often, electric soft starters are controlled electronically by computer systems or electronic devices, which allows to change starting parameters and control dynamic characteristics. Soft starters allow you to change the modes of operation of the electric motor depending on the applied load and allow you to implement a particular relationship between the speed of the shaft and the voltage.
The principle of operation of electrical devices is based on two methods:
- The method of limiting the current in the rotor winding - implemented by means of coils connected in a "star" scheme;
- The method of limiting the voltage and current in the stator (with thyristors, triacs or rheostats).
A further distinction is made between single phase, two phase and three phase devices. Single-phase voltage controllers are used for equipment up to 10 kW, positive aspects of such regulation are reduction of dynamic shocks and jerks during start-up, negative aspects are unbalanced load during start-up and high starting currents. Two-phase soft starters reduce inrush currents and motor heating during start-up and are used in medium-heavy starting conditions. Three-phase soft starters significantly reduce inrush currents and allow smooth stopping of the electric motor, as well as providing emergency shutdown. Such devices are used for heavy starting with a significant load, as well as with frequent switching on/off of the motor.
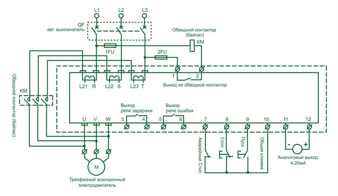
Diagram of connection of electric motor to SPD
In order to connect the soft starter to the electric motor and power supply network, you should follow the instruction on this type of device, there will be all the important aspects when connecting: circuit sequence, grounding and neutral outputs, as well as the correct adjustment of the start, acceleration and braking. But in general, there are standard wiring methods that are suitable for most soft starters.

Each controller has an input contact and an equal number of output contacts for phase connection, a start and stop control system (START, STOP buttons), other pushbuttons and control contacts. The unit is equipped with power cables to the input terminals (usually designated L1, L2, L3), and from the output terminals (designations T1, T2, T3) connect the motor) connect the motor. It is important to connect the controller to the mains through mains protection circuit breaker and use cables with the rated cross-section corresponding to the motor current limit when connecting the motor to the soft starter and the controller to the mains.
Some devices can be controlled not only from switches and control devices on the device itself, but also through relay contacts or controller - this complicates the wiring diagram of the device, but expands its capabilities.
What are the criteria for selecting a soft starter?
There are several important criteria that allow you to choose the right soft starter for the electric motor and its modes of operation.
- Electric motor currentSoft starter: Soft starter is chosen according to full motor load current, which must not be higher than the maximum load current of the motor starter. It is best if the current for which the softstarter is designed is greater than the maximum load current of the motor.
- Limit number of starts per hour: Most often this parameter is limited by the type of soft starter and for reliable and durable operation of the device it is important that this parameter should not be exceeded for a particular device.
- Supply voltageThe soft starters differ in their functionality and operation in networks with different voltages, so the voltage must correspond to the nameplate value of the device.
All these parameters are listed in the passport of the soft starter and the selection to the specific conditions of the electric motor and power supply network should be selected in the mandatory case when selecting the soft starter.
Related articles:





