To obtain electricity wind turbine does not need fuel or solar energy. This feature makes many people think about how to build a wind turbine with their own hands, because buying and installing ready-made equipment is not cheap.

Contents
Principle of operation and types of wind generator
Self-made wind turbine can only be made with an understanding of its device. The prototype of this unit is an old windmill. When the pressure of air flows on its wings, a shaft came into motion, which transmitted the torque to the equipment of the mill.
The same principle of using wind energy to rotate the rotor is used in wind turbines to produce electricity:
- The movement of the blades by the wind causes the primary shaft with a gearbox to rotate. The torque is transmitted to the secondary shaft (rotor) of the generator, which is fitted with 12 magnets. As a result of its rotation an alternating current is generated in the stator ring.
- This kind of electricity cannot charge batteries without a special device - a controller (rectifier). The device converts alternating current into direct current, allowing it to be accumulated so that household appliances can work without interruption. The controller performs another function: it stops charging the battery in time, and the excess energy generated by the wind turbine transfers to the units that consume a large amount of it (for example, to the heating elements for home heating)
- To ensure the supply voltage of 220 V, the current is fed from the batteries in the inverter, and then already comes to the points of power consumption.
To ensure that the blades are always in the best position to interact with the wind, a tail is installed on the wing devices, which allows you to turn the propeller to the wind. Factory models of wind turbines have braking devices or additional circuits to fold the tail or to move the blades away from wind blows in adverse weather.

There are several types of wind turbines, classifying them by the number and material of blades or propeller pitch. But the main division is based on the location of the axis or the primary shaft:
- The horizontal type involves the location of the shaft parallel to the surface of the ground. Such generators are called winged generators.
- Vertical wind turbines have the axis located perpendicular to the horizon, and the planes are arranged around it. Vertical generators may be called orthogonal or carousel generators.
Regardless of the location of the axis of rotation, the principle of operation of the unit remains the same.
Models of wind turbines can have a propeller or wind wheel of 2, 3 or more blades. It is believed that multi-bladed devices are capable of generating current in a small wind, while propellers with 2-3 wings need a larger air flow. When choosing a model, it is necessary to consider the important rule that each blade creates resistance to the wind flow and reduces the speed of rotation, so it is difficult to spin a multi-vane wheel to operating speed.
Among the varieties of wind turbines are sailing and rigid. These names denote the material from which the wings are made. In self-assembly, the sail type will be easier and more economical, but the blades made of plastic material (fabric, film, etc.) are not durable and wear-resistant.
Vertical version
Making a wind turbine of the vertical type is easier than the horizontal one. The design does not require a vane device, placed at a low height (up to 2 m). Reviews of those who use vertical VEU (wind turbine), testify to the insignificant noise when rotating and the convenience of servicing the working units of the units. The generator is located at the bottom of the structure and maintenance can be carried out without having to work from height or lower the mast to the ground.
There is a bearing on the top end of the axle, which also serves as the mast. This part is virtually maintenance-free and can last for several years without repair.
In contrast to the vane wind turbine, vertical wind turbines do not require a high mast. They work independently of the wind direction, which simplifies the design of the moving part. For the blades of a compact wind turbine can use PVC pipe of large diameter (such as sewage pipe), and for a more powerful wind turbine suitable thin galvanized steel. These materials are available to any home handyman and relatively cheap.
The design of the wind wheel can be chosen independently from the many available options:
- Dornier design with 2 flat blades;
- Savonius system with 4 semi-cylindrical wings;
- orthogonal multiblade wind turbine with 2 rows of planes;
- helicoidal wind turbines with a curved blade profile.
All vertical wind turbines use the Savonius aggregate principle. At home, the blades can be made from steel or plastic barrels, cut lengthwise in half. The peculiarity of the design is that the efficiency of the unit reaches a maximum at the speed of the blades is twice less than the wind speed. Therefore, it is not worth trying to increase the speed of the vertical wind turbine.
Horizontal models
Unlike vertical generators, homemade wind turbines with a propeller have a higher efficiency when the speed of the blades is increased. But the numerous and narrow elements of the propeller does not contribute to the best work: at a strong wind head they do not have time to unwind the shaft because of the air cushion formed in front of the propeller.
Multiblade wind turbines for home with their own hands is better to do in areas with not too strong winds. If the wind strength in the region often exceeds 10-15 m per second, it makes sense to build a wind turbine with 2-3 blades. Both types are capable of starting operation at an air flow velocity of about 2-3 m per second.
The horizontal model requires the installation of a high mast (6-12 m). In order to avoid high-altitude works during maintenance, folk craftsmen install a simple folding mechanism - an axle - in the base of the mast. For structural stability under a strong wind load, cable-stays are needed to hold the mast in an upright position.
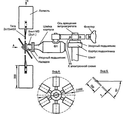
The nacelle with the generator and propeller must be mounted on a bearing and provided with a weather vane, so that the propeller always occupies a favorable position relative to the wind. The cables that will carry the current should be arranged so that they do not twist as the nacelle rotates, interfere with it and are not torn. Therefore, they are carried inside the tubular mast.
How to make a wind turbine generator for 220 volts?
You should begin the work on the creation of a wind turbine with determining the required capacity of the unit:
- for lighting several rooms, it is enough to have a generator with a capacity of less than 1 kW; it will provide power for incandescent or energy-saving lamps, and in addition you can plug in a laptop or TV;
- homemade wind generator with a capacity of 5 kW will provide electricity for household appliances (refrigerator, washing machine, stove, etc.);
- to fully translate the house on an autonomous provision of electricity, you need a powerful generator with a capacity of more than 20 kW.
The generator can make your own or adapt an appropriate unit removed from an old car. In this way you can provide current production up to 2-3 kW. To make a more powerful wind turbine with their own hands on 220V, you need to make accurate calculations of the number of coils and turns of wire, the size and number of magnets on the rotor and the parameters of the wings of the blades.
Simple design
For the simplest design with a capacity of about 1-1.5 kW you will need:
- car alternator (12 V);
- acid battery (12 V);
- On-off switch (12 V);
- current converter 700-1500 V and 12-220 V;
- metal large capacity;
- bolts, washers, nuts;
- clamps for mounting the alternator (2 pcs.).
In the pulley of the car alternator you need to make symmetrical holes for the bolts. Divide the circumference of the vessel into 4 equal parts. Cut out the paddles:
- On the side of the vessel, mark the rectangles according to the division marks of the circle;
- Find the vertical center of each element;
- mark out the top and bottom of the vessel continuous rims with a width of 3-5 cm;
- cut the metal between the individual rectangles to the line of the rims;
- make cuts along the upper and lower boundaries of the markings so that the middle of the rectangle remains intact and connected to the rims;
- unfold each blade relative to the central axis;
- determine the center of the round bottom, mark places for bolt holes according to their location on the pulley of the generator.
When unfolding the wings, it is worth determining the direction of rotation of the wind wheel to bring out the desired parts of the planes. To ensure equal load on all blades, you should measure the angles of their unfolding.
Assembling the structure is to bolt together the pulley of the generator and the bottom of the vessel. After that, prepare the base for the installation of the wind generator (mast of a thick tube with a height of about 2 m). It is easier to attach the generator to it with clamps of the appropriate diameter. To charge the battery, the current from the alternator must be passed through a rectifier, and the connection must be made using the car's wiring diagrams.
Homemade generator for the vane wind turbine
The unit for the horizontal wind turbine generator can be assembled from the wheel hubs from a car or use an electric motor from a washing machine. To work you will need to buy magnets made of neodymium (niobium alloy). It is better to take rectangular elements.
You can determine their number by the number of coils, if a motor is used. For a three-phase generator, the number of magnets should be 2/3 of the number of coils, and for a single-phase - to match it. Master practitioners advise to opt for a three-phase generator.
When using a motor from a washing machine, magnets must be glued to the rotor of the motor. If a wheel hub is used, the magnets are placed on a circle of sheet steel about 5 mm thick. When assembling the rotor, the rules are followed:
- The distance between the magnets should be equal. Rectangular elements on the hub are placed with their long sides on the radii of the circle, and on the motor shaft - on its longitudinal axis.
- Before work it is necessary to determine and mark the poles of magnets. They are installed so that the opposing elements have different polarities. When placing the magnets, alternate the positive and negative poles on the adjacent parts.
- It is recommended to fill the magnets with epoxy so that they are held firmly on the surface of the rotor.
When using the motor shaft as the rotor, place the part in its place in the winding and check the functionality of the design by placing the styli of a voltmeter on the leads and rotating the shaft with a drill.
If a hub is used, coils of enameled copper wire with a cross section of 1 mm are wound independently. Each coil must consist of 60 turns and have a height of 9 mm. The coils should be fastened to the flat part of the wheel hub.
For a three-phase alternator, connect the wire ends as follows:
- Leave the outer lead 1 of the coil free, and connect the inner lead 4 to the outer lead;
- connect the inner lead of coil 4 to the outer lead of coil 7 and continue to the end, connecting the winding parts every 2 pcs.; the last one should have a free inner end, which can be easily twisted with the already left lead or marked otherwise;
- repeat the process with 2 coils, connecting wires according to the same principle every 2 pieces;
- do the same with the 3rd coil and the remaining unconnected ones.
At the end of the work, the master will have 6 separate leads. The winding should be filled with epoxy and dried.
Then a shaft must be clamped in the hub bearing, on which the rotor ring with magnets must be mounted. The clearance between the planes of parts is 1-1,5 mm. Check the presence of current on the leads, assemble the wind turbine and install it on the mast.
Servicing of equipment
When operating the windmill once a month should conduct a general inspection of fixtures, check the electrical system for voltage imbalance, the serviceability of the controller and the evenness of the tension of the cables. For smooth operation once every 3-4 months to inspect the battery terminal connections, check the levels of electrolyte and oil in the generator gearbox.
The annual inspection includes checking the surfaces of the blades, determining the functionality of the bearings and their replacement. At this time, the electrolyte level is also topped up and oil is added to the gearbox. The annual maintenance involves checking all assemblies for performance.
Related articles:





